MRS200 series motorized high precision rotary stages
1. The transmission adopts worm and worm gear structures
that are fabricated with high precision grinding.
2.MRS210
seriesincludehigh precisiongrating disk and LCD screen thatshowsangle value
in real time.
3.Controller uses standard RS232 interface.
- description
- parameters
|
Model |
MRS201 |
MRS202 |
MRS211 |
MRS212 |
|
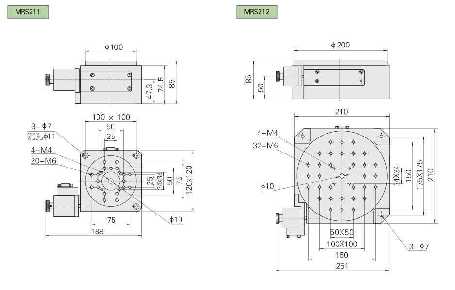
Stage size(mm) |
φ100 |
φ200 |
φ100 |
φ200 |
|
Gear ratio |
300:1 |
360:1 |
300:1 |
360:1 |
|
Resolution |
0.33″ |
0. 28″ |
0.33″ |
0.28″ |
|
Absolute accuracy |
- |
- |
10″ |
10″ |
|
Resetting positioning accuracy |
2″ |
2″ |
- |
- |
|
Minimumvaluedisplay |
- |
- |
1″ |
1″ |
|
Maximum speed |
10°/s |
8°/s |
10°/s |
8°/s |
|
Stepper motor(1.8°) |
42stepper motor(1.8°) |
|||
|
Maximum static torque(Ncm) |
40 |
40 |
40 |
40 |
|
Loading capacity(kg) |
4 |
6 |
4 |
6 |
|
Weight(kg) |
3 |
6 |
3 |
6 |
|
Comment |
|
Include grating disk and optionalLCD |
||










